help.. fl is too hot.. ac on ek keeps popping condensor fan fuse
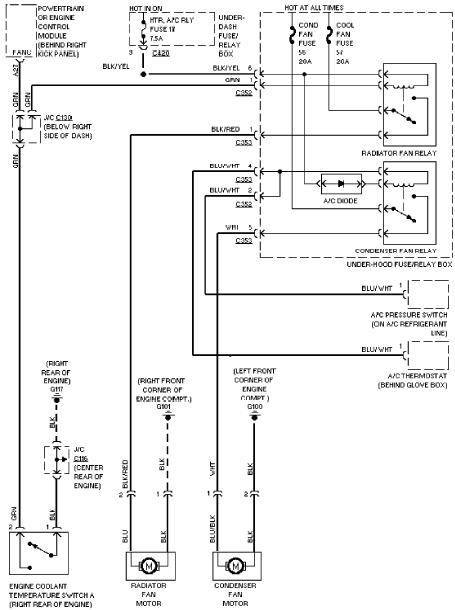
My air blows cold as hell but the other day it started popping fuse 56 under the hood which is the condensor fan fuse... the clutch on compressor spins freely.. when I replace fuse it will come on fan and ac compressor for about 5 mins.. thn it pops... dnt seem to be a spliced wire or ground.. any help appreciated
__________________


Well, If you put a higher amp fuse, you have the chance of burning the wiring harness. If I am not mistaking, the condenser fan is the only thing in fuse 56 circuit. If you are burning number 56 fuse, there might be a problem on the wire from the fuse to the relay, or from the relay to the fan motor. If this is ok, than the problem might be the actual fan motor. If the motor is going bad, it might be requiring higher amperage in order to turn. By requiring higher amperage, it will cause the motor to pull more than the maximum 20 amp therefore blowing the fuse. If non of these two is the problem, than I would check with someone that knows the EK's a little better.
I just realized that this thread is from October of last year. Well, I hope this is helpful for someone.
Just for people with an EG that are having the same problem with the condenser fan fuse blowing. On the EG's, the condenser fan and the A/C clutch run in the same circuit, so on that case, it might also be the A/C clutch.
Just for people with an EG that are having the same problem with the condenser fan fuse blowing. On the EG's, the condenser fan and the A/C clutch run in the same circuit, so on that case, it might also be the A/C clutch.



